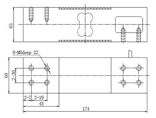
GZB 鋁制單點傳感器 產品特點:
鋁合金稱重傳感器無色陽ji化處理;膠密封處理,防護等級IP65。鋁稱重傳感器是yi種低調的單點式稱重傳感器專為低成本稱重平臺低的直接安裝。它的體積小,結合精度高,成本低,這使得稱重傳感器非常適用于地上衡,電子地上衡,低調地磅,數字地磅,地上秤,地上天平秤,無框地板,框架型地坪規模,防爆地磅,可移動地磅,臺秤,牲畜秤,坑的規模,軌道衡,數字式地磅,數字重量平衡,電子秤的平衡,數字精密天平,數字計數秤,數字電子天平,數字yi體平衡,地磅,臺秤,嬰兒秤。
Technical Parameter:
| Rated Load: | 50kg~1000kg |
Sensitivity: | (2.0±0.1%) mV/V |
Combined Error: | ±0.03% F.S |
Creep Error30min: | ±0.03% F.S |
Zero Balance: | ±1% F.S |
Temp. Effect On Zero: | ±0.02% F.S/10 |
Temp. Effect On Span: | ±0.02% F.S/10 |
Input Resistance: | 385±5Ω |
Output Resistance: | 353±2Ω |
Insulation Resistance: | ≥5000MΩ |
Operating Temperature Range: | -30~+70 |
Maximum Safe Over Load: | 150%F.S |
Ultimate Over Load: | 200%F.S |
Recommend Excitation Voltage: | 10~12V DC |
Maximum Excitation Voltage: | 15V DC |
Sealing Class: | IP65 |
Element Material: | Aluminum |
Cable: | Length=L:3m |
Citation: | GB/T7551-2008/ OIML R60 |

上海廣志自動化設備是專業生產稱重傳感器的廠家,歡迎廣大客戶前來咨詢,電話021-60518382
上海廣志自動化設備是專業生產稱重傳感器的廠家,歡迎廣大客戶前來咨詢,電話021-60518382
上海廣志自動化設備是專業生產稱重傳感器的廠家,歡迎廣大客戶前來咨詢,電話021-60518382